分类:招采公示 发布时间:2022-03-28 浏览量:1301
| 序号 | 设备名称 | 技术参数 | 单位 | 数量 | 备注 |
| 1 | 6m³提取罐的购置 | 见附页 | 台 | 6 |
| 序号 | 技术要求 | 响应情况 | 偏离说明 |
| URS01 | 生产单位具有相关压力容器制造和安装资质及质量保证资料 | 必需 | |
| URS02 | 供货商提供现场安装方案和调试方案 | 必需 | |
| URS03 | 提取物料:中药材,溶媒介质:工艺用水、 | 必需 | |
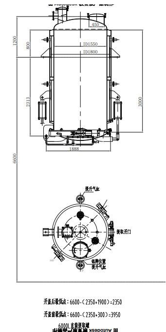
| URS04 | 不锈钢提取罐形状:直筒型;提取罐外直径1800mm;提取罐三楼投料口平面至地面不得大于1200mm;二楼层高6600mm,开盖后最低点距离地面不得小于2350mm, 适合现有出渣车使用。底盖开口方向为人面对投料口顺时针方向旋转90度。(见尾页附图) | 必需 | |
| URS05 | 提取罐具有单机控制显示功能,如加水量设定控制及显示、罐内煎煮设定温度控制及显示、开关盖控制显示等,并留有下一步实现提取工艺自动化控制所需的相关数据传输及控制接口。配合自控专业设备至少预留要求有投料(人孔)、视孔、照明孔、排气口、回流口、压力表口(配合自控)、排空口、放液口(配合自控)、饮用水进口、CIP接口(配合自控)、温度探头接口(配合自控)及安全泄压口等相关工艺开口。投料口应当预留全自动打开及锁紧的工作方式,自动执行打开及关闭动作,并在关闭后自动锁紧。投料口的直径为DN500mm,提取罐投料口要能够满足自动上料装置的安装使用。 | 必需 | |
| URS06 |
采用分段夹套加热的方式,整个提取罐底盖覆盖夹套,提取罐筒身夹套分为2~3 段(上段夹套、下段夹套、底盖夹套),这样,一方面在投料量少时,关闭筒身上段夹套,可以避免干烧,使该提取罐可以适应较少的投料量。另一方面,可以采用更加合理的加热方式,使提取罐加热做到节能、可控、快速(40分钟沸腾)。 底盖夹套加热的方式应当确保提取罐内各处温度均匀,煎煮透彻,提取罐上、中、底部温度表显示温度偏差范围在±1℃之内; 提取罐上段加热、下段加热、底盖加热的蒸汽加热管道应当配有蒸汽计量装置,可以实时监控蒸汽流量,同时可以设置计量一段时间内的蒸汽用量和总蒸汽用量,蒸汽计量装置要在中控系统上体现并且可以直接操作。 |
必需 | |
| URS07 | 提取罐应当有上、中部的温度显示,可实时监控。 | 必需 | |
| URS08 | 提取罐具备加水量的计量,应当可以计量一段时间内的加水量和总加水量,加水量计量装置要在中控系统上体现并且可以直接操作。 | 必需 | |
| URS09 | 设备易于清洁,符合GMP清洁要求 | 必需 | |
| URS10 | 罐体材质:优质sus304 不锈钢,材质成分、厚度要求按国标标准(GB/T3280-2007); | 必需 | |
| URS11 | 设备整体设计符合新版GMP 相关规范,避免交叉污染、泄漏污染、异物脱落、局部温升对药品质量的影响。与药品直接接触(包括密封,螺丝,垫片等)的金属部分材质均采用要求的SUS304,非金属部件采用聚四氟乙烯、硅橡胶等GMP 认可的无毒材料;其它部件尽可能采用不锈钢材质,严防生锈。特别注意设备加工问题对药品内在质量的影响:传动轴密封时确保不会因润滑油泄露,对物料造成污染;密封材料使用耐高温、耐酸碱腐蚀、不易脱落、符合新版GMP 要求的材质;提供相应的证明材料。 | 必需 | |
| URS12 | 设备内表面(与物料接触部分)机械抛光,表面粗糙度≤0.45μm, 材质为sus304,厚度:≥8mm;提取罐在出厂前买方到卖方工厂进行FAT,并对内表面粗糙度进行现场测量,合格后方可出厂。 | 必需 | |
| URS13 | 设备内部无死角,便于清洁、拆卸与维修,内表面光滑、整洁、美观,过渡处有倒角和圆角处理,不得有明显的凸瘤、凹陷、毛刺、划痕、碰伤和锈蚀现象;各金属焊缝或焊点应做抛光、钝化处理,焊接表面应均匀、完整,不得有疤痕、夹渣及气孔等现象,并需充分考虑工期内设备应力的消除。设备材质及光洁度要求满足新版GMP 要求 | 必需 | |
| URS14 | 设备外表面采用喷砂或亚光处理。投标方在投标时提供喷砂和亚光处理的样板,验收时以样板为验收标准 | 必需 | |
| URS15 | 保温外壳厚度:≥2mm;封头厚度:>6mm,机械抛光精度:R a≤ 0.8μm | 必需 | |
| URS16 | 夹套材质采用不锈钢sus304,可采用空腔整体夹套或蜂窝夹套; | 必需 | |
| URS17 |
设备外保温与法兰连接处在试压后将法兰割掉、安装外保温后再焊接法兰,以保证外保护层的美观。 提取罐外保温材料,具有耐高温抗老化、保温时效长的功能;保温层厚度为50mm,保温材料应是不含纤维,不含石棉的材料;罐正常加热操作时外表面温度不超过45℃ 提取罐外保温材料应当将需保温部分全部包裹,特别是蒸汽阀门等部位。 |
必需 | |
| URS18 |
应采用双气缸开关提取罐底盖的方式来保证开关盖动作的平稳。开合底盖速度可控,且开合底盖过程必须平稳,即提取罐任何工况下不得产生明显晃动;特别是出渣时底盖打开不能受药渣重力作用失控。 提取罐底盖应有自锁装置,断电、压缩空气设备停气时锁紧装置仍起作用,保证无料液泄出,杜绝安全隐患,底盖应保证不变形。 |
必需 | |
| URS19 |
提取罐底盖有过滤装置,过滤目数相当于中国药典40~80 目,过滤网的选型能够有效的防止罐底盖堵塞,以免影响出液。设备要有辅助方式消除罐底盖堵塞的情况,例如采用压缩空气反吹的方式。出液后的药渣要求做到不滴水排放。 提取罐底盖过滤网应当位于提取罐底盖表面,使用过程中不易脱落,且便于拆卸清洁。 提取溶媒在3m³-4m³时,出液的过程要求在30 分钟内完成。(需采用先进的出料方式,保证药液出料无残留) |
必需 | |
| URS20 | 提取罐底盖过滤网的设计需考虑方便排渣后的清洗和更换方便,应能方便的打开以便清洗底盖筛板下方的空间。底盖过滤网表面不能粘附药渣。 | 必需 | |
| URS21 | 排渣完成后设备底盖要完成CIP 清洗提取罐底盖,且不影响罐底盖的闭合。 | 必需 | |
| URS22 | 包括设置在现场的提取罐开关盖控制柜,用于开启、关闭、锁紧提取罐底盖,并给出提取罐底盖的状态信号,表明提取罐盖是处于打开到位状态或关闭到位状态,预留可将这些状态信号传递给中控系统。也包括自控投料口的自动开关控制,同样,接收一个来自中控系统的开盖信号,可以实现锁紧装置自动打开到位后,打开投料口盖;接收一个来自中控系统的关盖信号,可以自动关闭投料口盖到位后,锁紧装置自动锁紧到位;锁紧装置和投料口盖的位置状态信号也都传递给中控系统。 | 必需 | |
| URS23 | 具备手自动切换功能,手动自动都具备防误操作功能,可以在开/关盖操作柜上通过按钮/旋钮进行开、关盖操作,也可以通过中控信号(预留)来执行开关提取罐盖操作 | 必需 | |
| URS24 | 当控制系统判断提取罐可以打开底盖,一个开盖信号可完成打开锁紧装置,自动判断锁紧装置打开到位后执行开盖动作并开盖到位;当控制系统接到信号可以执行提取罐盖关闭动作,一个关盖信号可以完成关盖,自动判断关盖到位后,执行锁紧到位。 | 必需 | |
| URS25 | 为便于清洗提取罐底盖和在开关盖时更加安全,要求通过提取罐控制柜控制,提取罐底盖可停止在全开和全关之间的任一位置。 | 必需 | |
| URS26 | 提取罐开关/锁紧控制柜能保证提取罐安全可靠,具有充分的安全连锁功能,罐底排放阀不打开时,罐盖不能打开(防止罐内有料时进行开盖操作);罐盖关闭不到位时,锁紧装置不动作;锁紧装置不打开到位,不执行开盖动作等。 | 必需 | |
| URS27 | 预留提取罐底盖要能够和渣车具备连锁功能,应当有避免提取罐底盖与渣车发成碰撞的装置。 | 必需 | |
| URS28 |
设计压力:罐体:常压;夹套:<0.3Mpa; 工作压力:罐体:常压;夹套:<0.25Mpa;为保证提取罐底盖和投料口的密闭性,提取罐内部整体需能耐受0.095Mpa 打压试验(小于0.1MPa 的打压实验) |
必需 | |
| URS29 |
设计温度:罐体:100°C;夹套:150°C; 工作温度:罐体:<100°C;夹套:<140°C; |
必需 | |
| URS30 | 提取罐底盖需实现底部加热,提取罐筒身夹套须至少分为两段,以适应一、二、三煎不同的加水量,避免提取罐内的干烧。 | 必需 | |
| URS31 | 罐体整体保温; | 必需 | |
| URS32 | 保温材料:采用≥150kg/m³容重硅酸铝; | 需要 | |
| URS33 | 保温层厚度:≥50mm; | 必需 | |
| URS34 | 保温效果应确保设备正常生产时外壳与环境温差不超过25 度; | 必需 | |
| URS35 | 配备高效丝网式除沫器,能够高效阻挡和消除煎煮沸腾时产生的泡沫,材质满足新版GMP 药品规范。(自控控制泡沫需要与自控系统配合实现,仅靠提取罐本身难以自动消除泡沫,通过加热控制和罐内压力控制可以避免泡沫的产生) | 必需 | |
| URS36 | 材质为:sus304 不锈钢,厚度:>2mm | 必需 | |
| URS37 | 出气口直径:≥DN150(快装方式安装) | 必需 | |
| URS38 | 顶部设置快装盖,以便于拆卸消泡件构,内置消泡件构易于拆卸和清洗 | 必需 | |
| URS39 | 设备管口为快装方式(其中蒸汽、冷凝水、冷却水等公用工程接口可采用法兰连接方式);蒸汽进口和冷凝水出口由设备制造商根据夹套面积和蒸汽的最大耗量设计选定,多段夹套时,可设计不同直径的蒸汽进口和冷凝水出口;料液进口:50mm;料液出口:50mm(为更加快速和顺畅的出料,应增大出料液口的尺寸);排汽口:≥150mm,投料口:=500mm; | 必需 | |
| URS40 | 视镜采用卡箍连接方式,视镜直径≥DN120mm; | 必需 | |
| URS41 | 底盖采用可靠的锁紧装置,可以自锁,在停电和停气的情况下,仍能保证可靠密封。 | 必需 | |
| URS42 | 配备提取罐各段夹套的疏水阀,每段提取罐夹套单独配备疏水阀,疏水阀后的排放管路汇总。疏水阀的选型要保证足够的排水能力,需选择具备自动排空气装置的疏水阀。 | 必需 | |
| URS43 | 提取罐各管道应当设计合理,溶媒出净后无残留情况,清洁结束后各部位无残留情况。 | 必需 | |
| URS44 | 设备正常使用条件下使用寿命:>15 年 | 必需 | |
| URS45 | 控制柜、操作箱、操作按钮需耐高温 | 必需 | |
| URS46 | 关键部件采用国内外知名品牌 | 必需 | |
| URS47 | 气动元件采用知名品牌; | 必需 | |
| URS48 | 供方应提供可通过最新版GMP认证审核的标准文件 | 必需 | |
| URS49 | 提供文件清单,所有文件资料需提供纸质与电子版各两份,电子版能修改 | 必需 | |
| URS50 | 供方提供设备使用所明书及保养说明书 | 必需 | |
| URS51 | 供方负责所有现场指导与人员培训,包括图纸、工艺,操作、设备维护、设备性能及问题解答 | 必需 | |
| URS52 | 负责管理人员、技术人员、维修人员的对设备的原理、性能;维修、操作等培训,双方认可后方可 | 必需 | |
| URS53 | 供方提供原设备拆除、新设备运输、安装、调试、验证工作,并注明设备安装调试周期及校验时间 | 必需 | |
| URS54 | 设备上所有计量检验的探头及仪表均需要正规检验机构出具的检验报告 | 必需 | |
| URS55 | 配合需方质管部门对设备进行验证 | 必需 | |
| URS56 | 配合需方完成特种设备注册等相关手续及工作 | ||
| URS57 |
卖方提供:综合资料 (1)制造、安装和调试进度计划表; (2)设计、制作和检测依据的标准和规范; (3)装箱单; (4)整套系统的设计说明; (5)公用系统介质需求(如电、蒸汽压力、压缩空气用量等参数); (6)(在安装现场的)总体布置图; (7)成套装置和各个设备、部件的技术参数表; (8)运输、安装、使用操作和维护说明书; (9)设备日常维护保养规程; (10)设备预防性维修规程。 (11)专用工具一套。 |
必需 | |
| URS58 |
卖方提供:检测、验收和验证 (1)成套(整套)装置的合格证和质量保证书; (2)原材料检测报告和检测证书; (3)零部件和设备的合格证和使用说明书; (4)零部件和设备检测报告和检测证书; (5)变更控制记录与报告; (6)设计确认(DQ)文件; (7)安装确认(IQ)文件; (8)运行确认(OQ)文件; (9)性能确认(PQ)文件; (10)出厂前工厂内验收测试(FAT)文件; (11)现场验收测试(SAT)文件; (12)提供压力容器监检报告。 (13)必须的其他竣工资料和验证文件。 |
必需 |
